技术参数
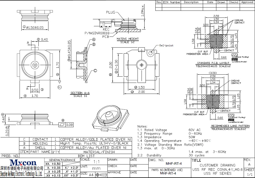
Frequency Range 射频范围:0-6GHz
Impedance 特性阻抗:50Ω
Insulation Resistance 绝缘电阻:500MΩ Min
Dielectric Withstanding Voltage 耐压:200V AC 1Min
Inner Contact Resistance 接触电阻:20mΩ Max
Outer Contact Resistance 接触电阻:20mΩ Max
Voltage Standing wave Ratio(VSWR)电压驻波比:1.3Max(0-3GHz) 1.4Max(0-6GHz)
Mechanical Durability 机械寿命:30Cycles
Relative Humidity相对湿度:95%R.H.Max
Operating Temperature工作湿度:-40℃- +90℃
产品细节
产品尺寸图
产品应用
